11άρι αυτόματο κιβώτιο από τη Ford (;)
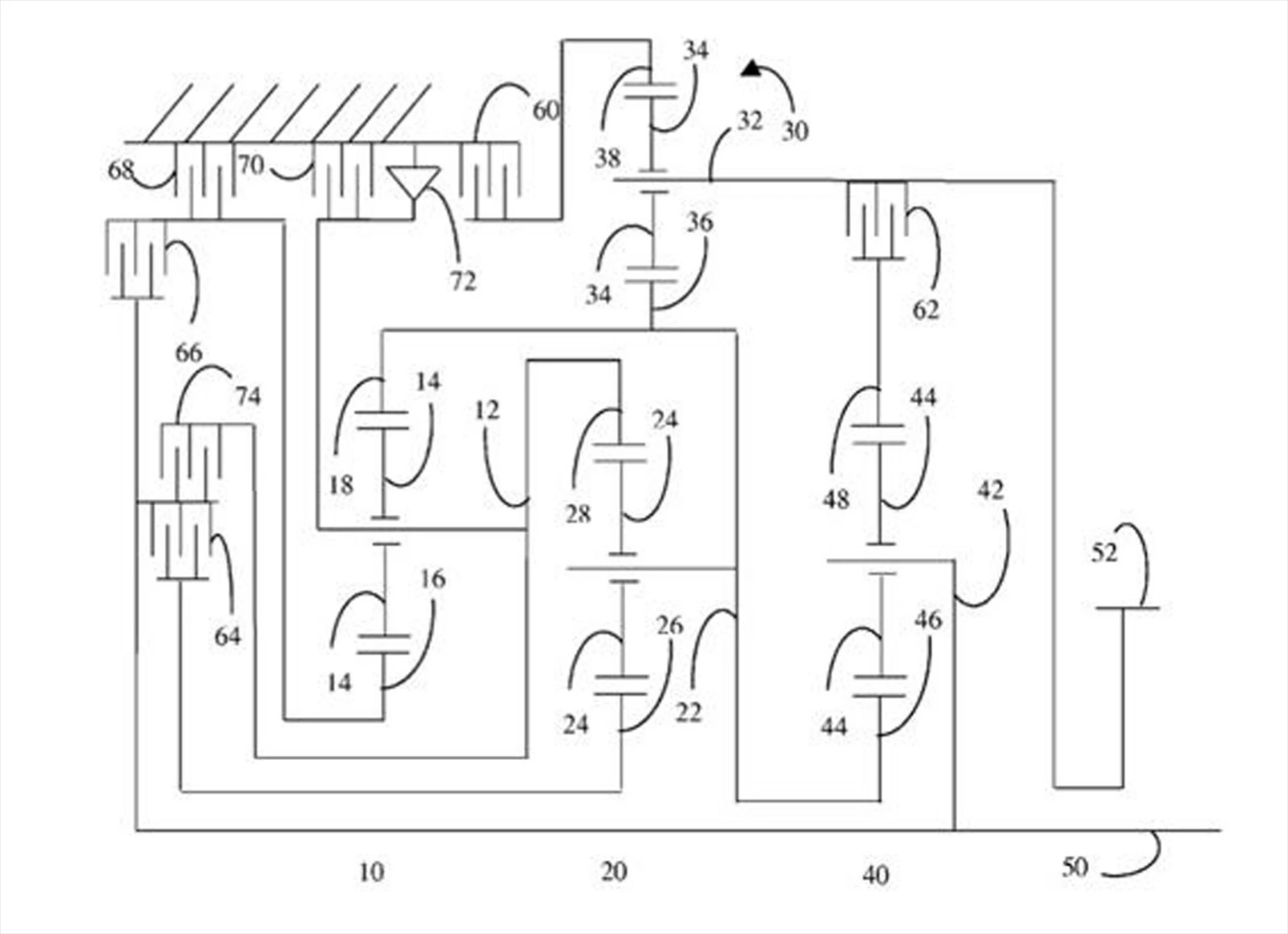
Ένα μηχανολογικό σχέδιο αποκαλύπτει τα σχέδια της Ford για αυτόματο κιβώτιο 11 σχέσεων
- -
- -
Να θυμίσουμε ότι πριν από 3 χρόνια, ο διευθύνων σύμβουλος της ZF παρουσίασε το 9 σχέσεων αυτόματο κιβώτιο, ενώ η Ford έχε ανακοινώσει ήδη ότι στο επερχόμενο F-150 Raptor θα εφοδιάζεται το 10 σχέσεων αυτόματο κιβώτιο. Ωστόσο, η εταιρεία δεν έμεινε εκεί αφού στα σχέδιά της είναι να προσθέσει ακόμα μία σχέση στο συγκεκριμένο κιβώτιο, φτάνοντας συνολικά τις 11 ταχύτητες.
Από την άλλη όμως, ο επικεφαλής του τμήματος των μεταδόσεων διέψευσε ότι εργάζονται πάνω σε 11άρι κιβώτιο, αλλά είναι απλά κάποιες ιδέες που έχουν στο νου τους, οι οποίες μπορεί να καταλήξουν σε κάτι το διαφορετικό. Αναμονή λοιπόν για κάτι πιο επίσημο…




















και στη συνέχεια 'Προσθήκη στην οθόνη αφετηρίας'